Dodge Journey: Schematics and diagrams
40/41TE - WITH VARIABLE LINE PRESSURE

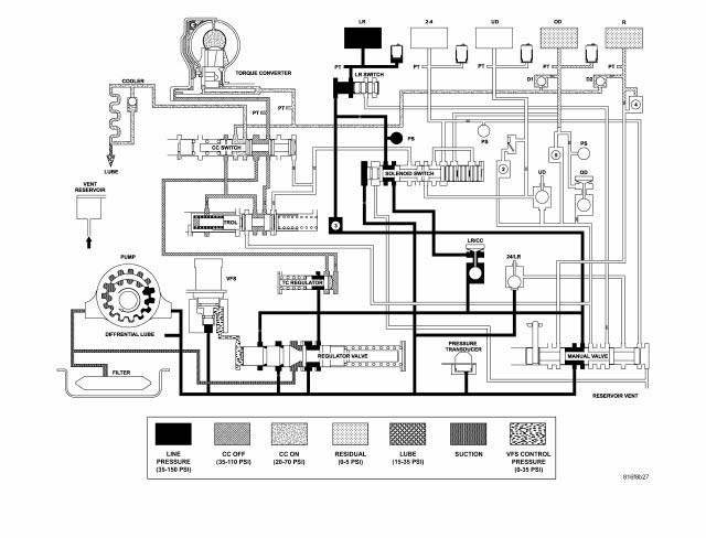
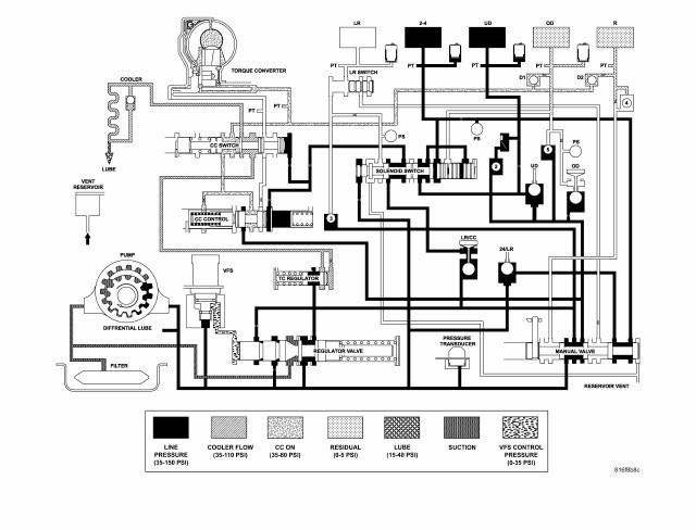
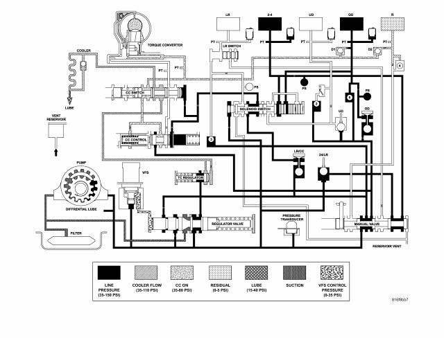
Fig. 181: Identifying Line Pressure - Park & Neutral

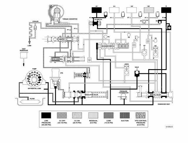
Fig. 182: Identifying Line Pressure - Reverse

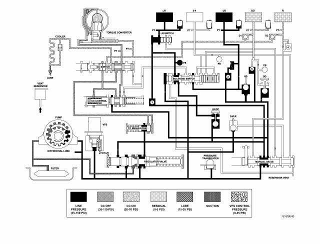
Fig. 183: Identifying Line Pressure - First Gear (Drive)

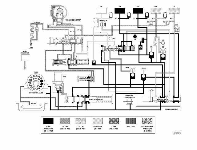
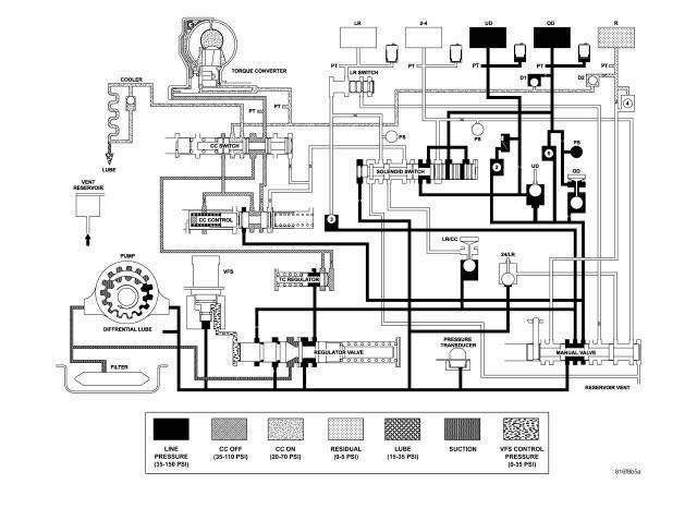
Fig. 184: Identifying Line Pressure - Second Gear (Drive)

Fig. 185: Identifying Line Pressure - Second Gear EMCC (Drive)

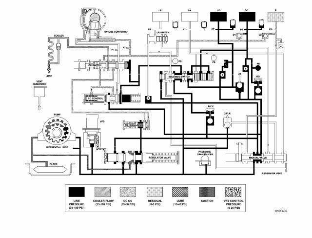
Fig. 186: Identifying Line Pressure - Direct Gear (Drive)

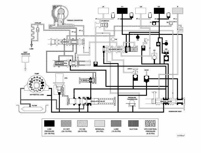
Fig. 187: Identifying Line Pressure - Direct Gear EMCC (Drive)

Fig. 188: Identifying Line Pressure - Fourth Gear Overdrive (Drive)

Fig. 189: Identifying Line Pressure - Fourth Gear Overdrive EMCC (Drive)
SPECIFICATIONS
GENERAL SPECIFICATIONS

GEAR RATIOS


BEARING SETTINGS (END PLAY AND TURNING TORQUE)

CLUTCH CLEARANCES

OIL PUMP CLEARANCES

INPUT SHAFT

TORQUE SPECIFICATIONS


SPECIAL TOOLS

Fig. 190: Puller C-637

Fig. 191: Pressure Gauge (High) C-3293SP

Fig. 192: Dial Indicator C-3339

Fig. 193: Oil Pump Puller C-3752

Fig. 194: Seal Puller C-3981B

Fig. 195: Universal Handle C-4171

Fig. 196: Seal Installer C-4193A

Fig. 197: Adapter C-4996

Fig. 198: Remover Kit L-4406

Fig. 199: Gear Puller L-4407A

Fig. 200: Bearing Installer L-4410

Fig. 201: Gear Checking Plate L-4432

Fig. 202: Bearing Puller L-4435

Fig. 203: Differential Tool L-4436A

Fig. 204: Special Jaw Set L-4518

Fig. 205: Installer L-4520

Fig. 206: Thrust Button L-4539-2

Fig. 207: Adapter L-4559

Fig. 208: Adapter L-4559-2

Fig. 209: Bearing Splitter P-334

Fig. 210: Puller Set 5048

Fig. 211: Remover/Installer 5049-A

Fig. 212: Installer 5050A

Fig. 213: Installer 5052

Fig. 214: Compressor 5058A

Fig. 215: Compressor 5059-A

Fig. 216: Installer 5067

Fig. 217: Pliers 6051

Fig. 218: Installer 6052

Fig. 219: Installer 6053

Fig. 220: Button 6055

Fig. 221: Plate 6056

Fig. 222: Disk 6057

Fig. 223: Installer 6061

Fig. 224: Remover 6062-A

Fig. 225: Holder 6259

Fig. 226: Bolt 6260

Fig. 227: Installer 6261

Fig. 228: Tip 6268

Fig. 229: Remover/Installer 6301

Fig. 230: Remover/Installer 6302

Fig. 231: Installer 6536-A

Fig. 232: Puller 7794-A

Fig. 233: End Play Socket Set 8266

Fig. 234: Input Clutch Pressure Fixture 8391

Fig. 235: Driveline Support Table 8874

Fig. 236: Driveline Support Fixture 8534B

Fig. 237: Steering Shaft Roll Pin Remover/Installer 6831A
Installation
Fig. 164: Removing/Installing Bellhousing Upper & Lower Bolts
NOTE: If transaxle assembly is being replaced or overhauled (clutch
and/or seal
replacement), it is necessary to perform th ...
Accumulator
DESCRIPTION
Fig. 238: Identifying Underdrive & Overdrive Accumulators
- RETURN SPRING
- UNDERDRIVE CLUTCH ACCUMULATOR
- SEAL RING (2)
- OVERDRIVE CLUTCH ACCUMULATOR
The 41TE underd ...
See also:
Diagnosis and Testing, Removal, Installation
DIAGNOSIS AND TESTING
INSTRUMENT CLUSTER
As a quick diagnosis, the cluster will perform a functional check of the
odometer display, transmission range
display and warning indicators after the ign ...
Seal(s), valve guide
REMOVAL
Fig. 139: Valve Stem Seal-Removal/Installation
- VALVE SEAL TOOL
- VALVE STEM
1. Remove valve spring.
2. Remove valve stem seal by using a valve seal tool.
INSTALLATION
Fig. ...
TO OPEN AND CLOSE THE HOOD
Two latches must be released to open the hood.
1. Pull the hood release lever located under the left side
of the instrument panel.
Hood Release
2. Outside of the vehicle, locate the safety latch ...
