Dodge Journey: Disassembly

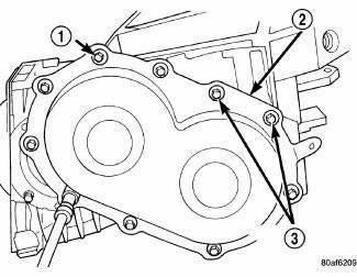
Fig. 28: Identifying Solenoid/Pressure Switch Assembly & Gasket
- - SOLENOID/PRESSURE SWITCH ASSEMBLY
- - GASKET
NOTE: If transaxle is being overhauled (clutch and/or seal replacement) or replaced, it is necessary to perform the PCM/TCM Quick Learn Procedure.
NOTE: This procedure does not include final drive (differential) disassembly.
1. Remove input and output speed sensors.
2. Remove the solenoid/pressure switch assembly-to-case bolts.
3. Remove solenoid/pressure switch assembly and gasket (2).

Fig. 29: Identifying Oil Pan Bolts
- - OIL PAN BOLTS (USE RTV UNDER BOLT HEADS)
4. Remove oil pan-to-case bolts (1) .

Fig. 30: Removing/Installing Oil Pan
- - OIL PAN
- - 1/8 INCH BEAD OF MOPAR ATF RTV (MS-GF41)
- - OIL FILTER
5. Remove oil pan (1) .

Fig. 31: Removing/Installing Oil Filter
- - OIL FILTER
- - O-RING
6. Remove oil filter (1) .

Fig. 32: Removing/Installing Valve Body-To-Case Bolts
- - VALVE BODY ATTACHING BOLTS (18)
- - VALVE BODY
7. Turn manual valve fully clockwise to get park rod into position for removal.
8. Remove valve body-to-case bolts (1) .

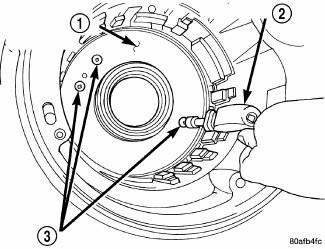
Fig. 33: Identifying Push Park Rod Rollers & Guide Bracket
- - PARK SPRAG ROLLERS
- - SCREWDRIVER
- - PARK SPRAG GUIDE BRACKET
9. Using a screwdriver (2), push park rod rollers away from guide bracket (3) .

Fig. 34: Removing/Installing Valve Body Assembly
- - VALVE BODY
CAUTION: Do not handle the valve body assembly from the manual valve.
Damage can result.
10. Remove valve body assembly (1).

Fig. 35: Removing/Installing Underdrive & Overdrive Accumulators
- - RETURN SPRING
- - UNDERDRIVE CLUTCH ACCUMULATOR
- - SEAL RING (2)
- - OVERDRIVE CLUTCH ACCUMULATOR
NOTE: Depending on engine application, some accumulators will have two springs and others will have one spring. The springs are color-coded according to application and year. When disassembling, mark accumulator spring location to ease assembly.
11. Remove underdrive (2) and overdrive (4) accumulators.

Fig. 36: Removing/Installing Low/Reverse Accumulator Snap Ring
- - SNAP RING
- - PLUG
12. Remove low/reverse accumulator snap ring (1) .

Fig. 37: Removing/Installing Low/Reverse Accumulator Plug
- - ADJUSTABLE PLIERS
- - PLUG
13. Remove low/reverse accumulator plug (2) .

Fig. 38: Removing/Installing Low/Reverse Accumulator Piston
- - ACCUMULATOR PISTON
14. Remove low/reverse accumulator piston (1) using suitable pliers.

Fig. 39: Removing/Installing Low/Reverse Accumulator Return Springs
- - ACCUMULATOR PISTON
- - SEAL RINGS
- - RETURN SPRINGS
- - (NOTE NOTCH)
15. Remove low/reverse accumulator return springs (3) .

Fig. 40: Measuring Input Shaft End Play Using End Play Fixtures 8266 & Dial
Indicator C-3339A
- - END PLAY FIXTURES 8266A
- - DIAL INDICATOR C-3339A
16. Measure input shaft end play. Place transaxle so input shaft is vertical. Set up End Play fixture and dial indicator (2,3) . Input shaft end play should be within 0.13-0.64 mm (0.005-0.025 in.). If outside of this range, a #4 thrust plate change is required. Record indicator reading for reference upon reassembly.

Fig. 41: Removing/Installing Oil Pump-To-Case Bolts
- - PUMP ATTACHING BOLTS
- - PUMP HOUSING
17. Remove oil pump-to-case bolts (1) .

Fig. 42: Identifying Slide Hammers C-3752 & Oil Pump
- - SLIDE HAMMERS C-3752
- - PUMP
CAUTION: Be sure input speed sensor is removed before removing oil pump.
18. Install slide hammers C-3752 (1) .

Fig. 43: Removing/Installing Oil Pump Assembly
- - "PUSH IN" ON INPUT SHAFT WHILE REMOVING PUMP
19. Remove oil pump assembly (1) .

Fig. 44: Removing/Installing Oil Pump Gasket
- - PUMP GASKET
20. Remove oil pump gasket (1) .

Fig. 45: Removing/Installing Cooler Bypass Valve
- - COOLER BYPASS VALVE
CAUTION: If transaxle failure has occurred, the cooler bypass valve must be replaced. Do not re-use or attempt to clean valve.
21. Remove cooler bypass valve (1) .

Fig. 46: Removing/Installing #1 Caged Needle Bearing
- - #1 CAGED NEEDLE BEARING
- - NOTE: TANGED SIDE OUT
22. Remove #1 needle bearing (1) .

Fig. 47: Removing/Installing Input Clutch Assembly
- - INPUT CLUTCH ASSEMBLY
- - #4 THRUST WASHER
23. Remove input clutch assembly (1) .

Fig. 48: Removing/Installing #4 Thrust Plate
- - OVERDRIVE SHAFT ASSEMBLY
- - #4 THRUST PLATE (SELECT)
- - 3 DABS OF PETROLATUM FOR RETENTION
24. Remove #4 thrust plate (2) .

Fig. 49: Removing/Installing Front Sun Gear Assembly
- - FRONT SUN GEAR ASSEMBLY
- - #4 THRUST WASHER (FOUR TABS)
25. Remove front sun gear assembly (1) and #4 thrust washer (2).

Fig. 50: Removing/Installing Front Carrier/Rear Annulus Assembly
- - #6 NEEDLE BEARING
- - FRONT CARRIER AND REAR ANNULUS ASSEMBLY (TWIST AND PULL OR PUSH TO REMOVE OR INSTALL).
26. Remove front carrier/rear annulus assembly (2) and #6 needle bearing (1).

Fig. 51: Removing/Installing Rear Sun Gear
- - #7 NEEDLE BEARING
- - REAR SUN GEAR
27. Remove rear sun gear (2) and #7 needle bearing (1)

Fig. 52: Removing/Installing #7 Needle Bearing
- - #7 NEEDLE BEARING
- - REAR SUN GEAR
NOTE: The number 7 needle bearing (1) has three anti-reversal tabs and is common with the number five and number two position. The orientation should allow the bearing to seat flat against the rear sun gear (2). A small amount of petrolatum can be used to hold the bearing to the rear sun gear.

Fig. 53: Removing/Installing Snap Ring
- - SPRING COMPRESSOR 5058A
- - SCREWDRIVER
- - SNAP RING
- - 2/4 CLUTCH RETAINER
28. Setup spring compressor 5058A (1) , Compress 2/4 clutch return spring (4) (just enough to remove snap ring) and remove snap ring (3).
NOTE: Verify that spring compressor 5058A is centered properly over the 2/4 clutch retainer before compressing. If necessary, fasten the 5058A bar to the bellhousing flange with any combination of locking pliers and bolts to center the tool properly.

Fig. 54: Removing/Installing 2/4 Clutch Retainer
- - 2/4 CLUTCH RETAINER
- - 2/4 CLUTCH RETURN SPRING
NOTE: The 2/4 Clutch Piston has bonded seals which are not individually serviceable. Seal replacement requires replacement of the piston assembly.
29. Remove 2/4 clutch retainer (1) .

Fig. 55: Removing/Installing 2/4 Clutch Return Spring
- - 2/4 CLUTCH RETURN SPRING
30. Remove 2/4 clutch return spring (1) .

Fig. 56: Removing/Installing 2/4 Clutch Pack
- - CLUTCH PLATE (4)
- - CLUTCH DISC (4)
31. Remove 2/4 clutch pack (1,2) . Tag 2/4 clutch pack for reassembly identification.

Fig. 57: Removing/Installing Tapered Snap Ring
- - LOW/REVERSE CLUTCH REACTION PLATE
- - SCREWDRIVER
- - LOW/REVERSE TAPERED SNAP RING (TAPERED SIDE UP)
- - OIL PAN FACE
- - LONG TAB
32. Remove tapered snap ring (3) .

Fig. 58: Removing/Installing Low/Reverse Reaction Plate
- - LOW/REVERSE REACTION PLATE (FLAT SIDE UP)
33. Remove low/reverse reaction plate (1) .

Fig. 59: Removing/Installing Low/Reverse Clutch Disc
- - ONE DISC FROM LOW/REVERSE CLUTCH
34. Remove one low/reverse clutch disc (1) .

Fig. 60: Removing/Installing Low/Reverse Reaction Plate Snap Ring
- - SCREWDRIVER
- - LOW/REVERSE REACTION PLATE FLAT SNAP RING
- - DO NOT SCRATCH CLUTCH PLATE
35. Remove low/reverse reaction plate snap ring (2) .

Fig. 61: Removing/Installing Low/Reverse Clutch Pack
- - CLUTCH PLATES (5)
- - CLUTCH DISCS (5)
36. Remove low/reverse clutch pack (1,2) .

Fig. 62: Removing/Installing Transfer Gear Cover-To-Case Bolts
- - REAR COVER BOLTS
- - REAR COVER
- - USE SEALANT ON BOLTS
37. Remove transfer gear cover-to-case bolts (1) .

Fig. 63: Removing/Installing Transfer Gear Cover
- - REAR COVER
- - 1/8 INCH BEAD OF MOPAR ATF RTV (MS-GF41)
38. Remove transfer gear cover (1) .

Fig. 64: Identifying Holder 6259
- - TRANSFER SHAFT GEAR
- - OUTPUT GEAR
- - HOLDER 6259
39. Install holder 6259 (3) .

Fig. 65: Removing/Installing Transfer Shaft Gear Nut & Coned Washer
- - TRANSFER SHAFT
- - LOCK WASHER
- - NUT
40. Remove transfer shaft gear-to-shaft nut (3) and coned washer (2).

Fig. 66: Removing/Installing Transfer Shaft Gear
- - GEAR PULLER L-4407A
- - TRANSFER SHAFT GEAR
41. Using Gear Puller L-4407A (3) remove transfer shaft gear (2).

Fig. 67: Removing/Installing Transfer Gear Shim (Select)
- - TRANSFER SHAFT GEAR
- - BEARING CUP RETAINER
- - SHIM (SELECT)
42. Remove transfer gear shim (select) (3) .

Fig. 68: Removing/Installing Bearing Cup Retainer
- - ALIGN INDEXING TAB TO SLOT
- - BEARING CUP RETAINER
43. Remove bearing cup retainer (2) .

Fig. 69: Removing Transfer Gear Bearing Cone
- - WRENCHES
- - BEARING PULLER 5048 WITH JAWS 5048-4 AND THRUST PAD L-4539-2
- - TRANSFER SHAFT GEAR
44. Remove transfer gear bearing cone using setup using bearing puller 5048 with jaws 5048-4 and thrust pad L-4539-2 (2) .

Fig. 70: Removing Transfer Shaft Bearing Cup
- - WRENCHES
- - BEARING CUP PULLER 6062A
- - TRANSFER SHAFT BEARING CUP RETAINER
45. Remove transfer shaft bearing cup from retainer (3) using bearing cup puller 6062A (2).

Fig. 71: Removing/Installing Transfer Shaft Bearing Snap Ring
- - SNAP RING PLIERS 6051A
- - TRANSFER SHAFT BEARING SNAP RING
- - TRANSFER SHAFT
46. Using Snap Ring Pliers 6051A (1) remove transfer shaft bearing snap ring (2).

Fig. 72: Removing/Installing Transfer Shaft
- - REMOVER/INSTALLER 5049-A
- - TRANSFER SHAFT
- - OUTPUT GEAR
47. Using the Remover/Installer 5049-A (1) remove transfer shaft (2) from transaxle.

Fig. 73: Identifying Bearing Cup Retainer & Oil Baffle
- - BEARING CUP
- - BEARING CONE
- - TRANSFER SHAFT
- - OIL BAFFLE
- - O-RING
48. Slip bearing cup retainer (1) and oil baffle (4) off of shaft.

Fig. 74: Identifying Bearing Splitter P-334, Transfer Shaft Bearing Cone, &
Transfer Shaft
- - ARBOR PRESS RAM
- - TRANSFER SHAFT
- - BEARING SPLITTER P-334
- - BEARING CONE
49. Using Bearing Splitter P-334 (3) press transfer shaft bearing cone (4) off of shaft (2).

Fig. 75: Removing/Installing Retaining Strap Bolts
- - RETAINING STRAP
- - STIRRUP
- - RETAINING STRAP BOLTS
50. Bend output gear retaining strap (1) ears flat to allow bolt removal.
51. Remove output shaft stirrup strap bolts (3)

Fig. 76: Removing/Installing Stirrup & Strap
- - OUTPUT GEAR BOLT
- - RETAINING STRAP
- - STIRRUP
52. Remove stirrup (3) and strap (2).

Fig. 77: Identifying Holder 6259
- - OUTPUT GEAR
- - HOLDER 6259
53. Install Holder 6259 (2).

Fig. 78: Removing/Installing Output Gear Bolt & Washer
- - OUTPUT GEAR
- - BOLT
- - CONED LOCK WASHER
54. Remove output shaft gear-to-shaft bolt (2) and washer (3)

Fig. 79: Removing Output Gear
- - OUTPUT GEAR
- - THRUST BUTTON 6055
- - WRENCHES
- - GEAR PULLER L4407A
- - BOLTS L4407-6
55. Using Gear Puller L4407A (4) and thrust button 6055 (2), remove output gear (1) from shaft.

Fig. 80: Removing Output Gear Bearing Shim (Select)
- - REAR CARRIER ASSEMBLY
- - SHIM (SELECT)
- - OUTPUT GEAR
56. Remove output gear bearing shim (select) (2)

Fig. 81: Removing Output Gear Bearing Cone
- - BEARING PULLER 5048 WITH JAWS 5048-5 AND THRUST PAD L-4539-2
- - WRENCHES
- - OUTPUT GEAR
57. Using bearing puller 5048 with jaws 5048-5 and thrust pad L-4539-2 (1) Remove output gear bearing cone.

Fig. 82: Removing/Installing Rear Carrier Assembly
- - REAR CARRIER ASSEMBLY
58. Remove rear carrier assembly (1) from transaxle.

Fig. 83: Removing Rear Carrier Assembly Bearing Cone
- - BEARING PULLER 5048 WITH JAWS 5048-3 AND THRUST BUTTON 6055
- - WRENCHES
- - REAR CARRIER ASSEMBLY
59. Remove rear carrier assembly (3) bearing cone using bearing puller 5048 with jaws 5048-3 and thrust button 6055.

Fig. 84: Identifying Spring Compressor 5059-A, Spring Compressor Disc 6057, &
Forcing Screw 5058A-3
- - SPRING COMPRESSOR DISC 6057
- - SPRING COMPRESSOR 5059-A
- - FORCING SCREW 5058A-3
60. Install disk 6057 (1) , spring compressor 5059-A (2) and forcing screw 5058A-3 (3).

Fig. 85: Removing/Installing Low/Reverse Spring Compressor
- - LOW/REVERSE CLUTCH RETURN SPRING
- - SNAP RING (INSTALL AS SHOWN IN ILLUSTRATION)
- - SPRING COMPRESSOR DISC 6057
- - SPRING COMPRESSOR 5059-A
- - FORCING SCREW 5058A-3
61. Install low/reverse spring compressor .

Fig. 86: Removing/Installing Remove Snap Ring
- - SNAP RING OPENING MUST BE BETWEEN SPRING LEVERS (AS SHOWN IN ILLUSTRATION)
- - SNAP RING PLIERS
- - SPRING COMPRESSOR DISC 6057
62. Compress low/reverse piston return spring and remove snap ring (1) .

Fig. 87: Removing/Installing Low/Reverse Piston Return Spring
- - LOW/REVERSE PISTON RETURN SPRING
- - PISTON
63. Remove low/reverse spring compressor tool and low reverse piston return spring (1)

Fig. 88: Driving Out Park Guide Bracket Pivot Shaft Plug
- - GUIDE BRACKET ANCHOR SHAFT
- - PIVOT SHAFT
- - ANCHOR SHAFT PLUG
64. Using a suitable punch , drive out park guide bracket pivot shaft plug (3)

Fig. 89: Removing/Installing Pivot Shaft & Guide Bracket Assembly
- - ANTIRACHET SPRING
- - GUIDE BRACKET
- - PIVOT SHAFT
- - PAWL
65. Using ordinary pliers, remove pivot shaft (3) and guide bracket assembly (2).

Fig. 90: Identifying Guide Bracket Components
66. Inspect guide bracket components for excessive wear and replace Anti-ratching spring (1), guide bracket (2), Split sleeve (3), spacer (4), pawl (5) and stepped spacer (6) if necessary.

Fig. 91: Identifying Low/Reverse Clutch Piston & Bonded Seals
- - LOW/REVERSE CLUTCH PISTON
- - BONDED SEAL
- - BONDED SEAL
NOTE: The Low/Reverse Clutch Piston has bonded seals which are not individually serviceable. Seal replacement requires replacement of the piston assembly.
67. Remove low/reverse clutch piston (1) .

Fig. 92: Removing/Installing Low/Reverse Piston Retainer-To-Case Screws
- - LOW/REVERSE CLUTCH PISTON RET
- - SCREWDRIVER
- - TORX-LOC SCREWS
68. Remove low/reverse piston retainer-to-case screws (3)

Fig. 93: Removing/Installing Low/Reverse Piston Retainer
- - LOW/REVERSE CLUTCH PISTON RETAINER
- - GASKET
69. Remove low/reverse piston retainer (1) .

Fig. 94: Removing/Installing Low/Reverse Piston Retainer-To-Case Gasket
- - GASKET HOLES MUST LINE UP
- - LOW/REVERSE CLUTCH PISTON RETAINER GASKET
70. Remove low/reverse piston retainer-to-case gasket (2) , gasket holes must line up (1).

Fig. 95: Removing Inner Output Bearing Cup
- - OUTPUT BEARING CUPS (REPLACE IN PAIRS)
- - HAMMER
- - BRASS DRIFT
71. Using a hammer (2) and suitable drift (3), drive out inner output bearing cup (1).

Fig. 96: Removing Outer Output Bearing Cup
- - BEARING CUP PULLER 6062A
72. Using bearing cup puller 6062A (1) , remove outer output bearing cup.
Removal
Fig. 10: Identifying Battery Cables
NOTE: If transaxle assembly is being replaced or overhauled (clutch
and/or seal
replacement), it is necessary to perform the "Quick-Learn" Proc ...
Assembly
Fig. 97: Installing Output Bearing Cups
- OUTPUT BEARING CUPS
- WRENCHES
- INSTALLER - 5050A
CAUTION: The cooler bypass valve must be replaced if transaxle
failure has
occur ...
See also:
Installation
BULB
Each rear lamp unit for this vehicle consists of two pieces. An outer rear
lamp unit that is secured at the rear of
each quarter panel includes bulbs for the park (or tail) lamps, the brake ( ...
Description, Diagnosis and Testing
DESCRIPTION
Fig. 38: Front Hub And Bearing Mounting
The knuckle (3) is a single casting with legs machined for attachment to the
front strut assembly on the top and
steering linkage on the trai ...
RECREATIONAL TOWING (BEHIND MOTORHOME, ETC.)
TOWING THIS VEHICLE BEHIND ANOTHER VEHICLE (Flat Towing With All Four
Wheels On The Ground)
Recreational towing for this vehicle is not recommended.
NOTE: If the vehicle requires towing, make sure ...
