Dodge Journey: Removal
WARNING: Review safety precautions and warnings in this part before performing this procedure. See Heating and Air Conditioning/Plumbing - Warning and. Failure to follow the warnings and cautions could result in possible serious or fatal injury.
NOTE: The A/C suction line is serviced in two sections.
NOTE: LHD model shown in illustrations. RHD model similar.
Upper A/C Suction Line
NOTE: The upper portion of the A/C suction line is only serviced as an assembly with the rear A/C liquid line.

Fig. 254: Liquid Line to Receiver/Drier 09
NOTE: Illustration shown with front fascia and headlamp removed for clarity.
1. Disconnect and isolate the negative battery cable.
2. Recover the refrigerant from the refrigerant system.
3. Raise and support the vehicle.
4. Position the front portion of the right front wheelhouse splash shield out of the way to gain access to the A/C receiver/drier.
5. Remove the nut (5) that secures the rear section of the A/C liquid line (1) to the A/C receiver/drier (4).
6. Disconnect the rear section of the A/C liquid line from the A/C receiver/drier and remove and discard the O-ring seal and gasket.
7. Disconnect the lower portion of the A/C suction line from the A/C liquid and suction line assembly.
8. Remove the bolt (3) that secures the rear section of the A/C suction line (2) to the right front frame rail.

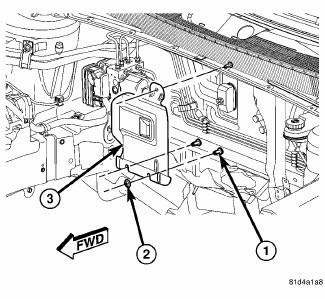
Fig. 255: Heat Shield - Unified Line
9. Lower the vehicle.
10. If equipped with heat shield (3), remove the top nut (2) that secures the heat shield to the stud (1) located on the dash panel.
NOTE: Two slots are provided at the bottom of the heat shield to aid in heat shield removal, if equipped. Complete removal of the two bottom heat shield retaining nuts is not required.
11. If equipped, reach behind the engine and remove the two bottom nuts the that secure the heat shield to the studs located on the dash panel and remove the heat shield. Rotate and tilt the heat shield as required.

Fig. 256: Liquid & Suction Line Assembly Removal/Installation
NOTE: It is only necessary to position the engine coolant reservoir and the power steering fluid reservoir out of the way. Draining of the coolant and power steering fluid is not required.
12. Remove the engine coolant reservoir from the right side of the engine compartment and position it out of the way.
13. Remove the power steering fluid reservoir from the right front strut tower and position it out of the way.
14. If equipped with ABS, remove the ABS control module and pump assembly and position the brake lines out of the way as necessary.
15. Disconnect the wire harness connector from the A/C pressure transducer (7) located on the A/C liquid line and remove the transducer if required.
16. If equipped with rear A/C, disconnect the rear A/C extension lines from the fittings (3) located on the A/C liquid and suction line assembly.
17. Remove the nut (6) that secures the refrigerant line retaining bracket to the stud (2) located on the right front strut tower.
18. Remove the nut (5) that secures the A/C liquid and suction line assembly (1) to the A/C expansion valve (4).
19. Disconnect the A/C liquid and suction line assembly from the A/C expansion valve and remove and discard the O-ring seals.
20. Remove the A/C liquid and suction line assembly from the engine compartment.
21. Install plugs in, or tape over all of the opened refrigerant line fittings and the expansion valve and receiver/drier ports.
Lower A/C Suction Line

Fig. 257: Lower to Upper Suction Line
NOTE: Illustration shown with front fascia and headlamp removed for clarity.
1. Disconnect and isolate the negative battery cable.
2. Recover the refrigerant from the refrigerant system.
3. Raise and support the vehicle.
4. Position the front portion of the right front wheelhouse splash shield out of the way to gain access to the A/C receiver/drier.
5. Remove the nut (2) that secures the lower A/C suction line (3) to the upper A/C suction line (1).
6. Disconnect the lower A/C suction line to the upper A/C suction line and remove and discard the O-ring seal and gasket.

Fig. 258: Lower Suction Line to Compressor
NOTE: 2.7L shown. Other engines similar.
7. Remove the nut (2) that secures the lower A/C suction line (1) to the A/C compressor (3).
8. Disconnect the lower A/C suction line from the A/C compressor and remove the lower line from the engine compartment.
9. Remove and discard the O-ring seals and gaskets and install plugs in, or tape over all the opened suction line fittings and the compressor port.
Description
Fig. 253: Upper Suction/Liquid Line Assembly
NOTE: A/C Suction line for 2.7L engine shown. Other engines similar.
The A/C suction line carries refrigerant from the A/C expansion valve to the ...
Installation
CAUTION: Be certain to adjust the refrigerant oil level when
servicing the A/C
refrigerant system. Failure to properly adjust the refrigerant
oil level will prevent the A/C system fro ...
See also:
Description, Diagnosis and Testing
DESCRIPTION
The inner joints of both half shaft assemblies are tripod joints. The outer
joints of both assemblies are Rzeppa
Joints. The tripod joints are true constant velocity (CV) joint assembl ...
Disassembly
Fig. 10: Drain Plug
1. Remove drain plug (1) and allow transmission oil to drain.
Fig. 11: Back-Up Lamp Switch
2. Remove backup lamp switch (1).
Fig. 12: Shift Cable Bracket
3. Remove the b ...
Hub and bearing
DESCRIPTION
Fig. 31: Front Hub And Bearing Mounting
The front wheel bearing and wheel hub of this vehicle are a one piece sealed
unit or hub and bearing unit type
assembly.
The hub and beari ...
